Introduction - The aim of this short course is to present a physical picture of the basic principles of Nuclear Magnetic Resonance (NMR) spectroscopy and imaging, along with a brief introduction to selected experimental details. To accomplish this a semi-classical model of magnetic resonance will be discussed. While a complete and concise description of NMR requires a quantum mechanical description, the semi-classical approach provides the correct result in simple cases and provides the bases for an intuitive understanding of magnetic resonance. The quantum mechanical details are better appreciated after an intuition is developed for the field.
Organization of the course - There are three very closely connected portions of this course,
1. the lecture, and lecture notes that serve as an introduction to the material,
2. the laboratory experience that permits students to explore in some detail both the NMR phenomena, and practical aspects,
and
3. a Mathematica notebook that provides simulations of all of the experiments to be discussed. This notebook is designed to provide a visual guide to important aspects of spin dynamics. It goes beyond the laboratory experiments, both is showing all components of the spin magnetization (including those which are not detectable experimentally), and permitting the students to explore these at their own pace and over a wider range of conditions. The basis of these simulations is an engine that numerical integrates the Bloch Equations, so experiments of some complexity may be explored.
The nuclear spin - Most elements have at least one isotope with a non-zero spin angular momentum, I, and an associated magnetic moment, µ, which are related by the gyromagnetic ratio, g,
.I is a quantized characteristic of the nucleus, and its value describes the symmetry of the nuclear charge distribution. In this course we will limit the discussion to spin=1/2 nuclei for which the nuclear charge distribution is spherically symmetric. The nucleus then has the properties of a magnetic dipole (essentially a bar-magnet), whose strength is given above. All of the interaction of spin=1/2 nuclei are purely magnetic.
Spin =1/2 nuclei are the most often studied by NMR since they generally have both higher resolution and higher sensitivity spectra (therefore, it is perhaps easier to extract chemical information from these nuclei). Some representative examples are,
Table of commonly observed, spin=1/2 nuclei:
|
| |||
In the laboratory portion of this course we will restrict our attention to 1H which is the most widely studied in both spectroscopy and imaging. It is also the most sensitive stable isotope.
Quantum mechanics tells us a few important points about nuclear spins,
1. the projection of the nuclear magnetic moment along any direction
is quantized and for spin=1/2 nuclear is restricted to the to
values of +/-
.
2. the uncertainty principle applies and places a limit on the amount of information we can know about the orientation of a nuclear magnetic moment. At any time, we can only know the magnitude of the vector and its projection along one axis. The projections along the other two axis are indeterminate (they are in a superposition state).
The Zeeman interaction - In an NMR experiment we are interested in exploring the interaction of the nuclear magnetic moment and an external magnetic field. The energy of this magnetic dipole-dipole interaction is given classically as,

where Bo is the strength of the external magnetic field. This external field has a direction and so this provides a coordinate system for the NMR experiment. From here on, we will work in coordinate systems where the applied magnetic field is oriented along the z-axis.
We can now see that for a spin=1/2 nuclei the two values of the spin along the z-direction, Iz= +/- 1/2, correspond to the nuclear magnetic moment oriented along and against the magnetic field. Classically we may compare this to the two stable positions of a compass needle in the earth's magnetic field, a low energy configuration with the needle aligned with the earth's field, and a higher energy (unstable equilibrium point) with the needle aligned against the earth's field. In the case of the nuclear spins, the nuclear moment can not be aligned exactly along the applied field, since this would violate the uncertainty principle, and so there are two states, both of which are represented by cones.

The nuclear spin is restricted to being on these two cones oriented along the z-axis.
In NMR the measured signal is the result of transitions between
the above two nuclear spin energy levels, and this energy difference
is dependent on the magnetic field strength,
.

For obtainable magnetic fields, (1 - 17 T) the characteristic frequency of this interaction is in the radio frequency regime, 1-600 MHz. We will characterize all of the interactions from here on simply in terms of a angular frequency and set the reduced Plank's constant to unity. For protons, the gryomagnetic ratio is 4,250 Hz/G, or 42.5 MHz/T, so at 9.6 T the resonance signal is 400 MHz.
Since the energy difference between these two levels so small, then the NMR measurement is by nature very noisy, and we will need to observe a large number of spin to have a detectable signal ( on the order of 10^18 spins). Or in other terms, the photon energy associated with an NMR transition is very low, and therefore the detection efficiency of that photon is poor. We need to record the response of many such photons to achieve an observable signal. Consider a sample of water, then we have
,and each of these spins has a nuclear magnetic moment which may be either aligned with or against the applied magnetic field. In thermal equilibrium, we expect the relative populations of these two states to be in accordance with Boltzman's statistics,

and at room temperature, the excess population in the lower state corresponds to about 1 spin in 106. It is this excess polarization that will lead to the NMR signal. The aligned nuclear magnetic moments provide a bulk magnetic moment to the sample and thus can be described by a magnetic susceptibility.
Looking back at our picture of the nuclear magnetic moments of isolated spins, if there is a collection of a large number of nuclear spins, then the superposition of these leads to a bulk magnetic moment aligned along the z-axis. This bulk magnetization (at equilibrium) represents to detectable NMR magnetization, and we will only describe the dynamics of this portion of the magnetization.
We can break the spin dynamics down into two types of motions,
1. the Larmor precession, a rotation about an applied magnetic field. This is consistent with the classical interaction or two magnets which is described as a torque,
2. a damping or relaxation behavior that drives the system back to equilibrium.
Let us explore the torque first, in the presence of an applied magnetic field, then the Larmor precession states that the bulk magnetic moment will revolve about the applied field direction. If the bulk magnetization is along the field direction, as it is at equilibrium, then there is no torque and hence no motion. As we expect, at equilibrium the system is stationary. Note, this is true of the detectable bulk magnetization, this is not true at the microscopic level. The dynamics of single spins can not be discussed in the classical terms that we are using.
If the system is away from equilibrium, if the bulk magnetization vector is oriented other than along the z-axis, then the magnetization presesses (rotates) about the z-axis with a angular velocity given by the energy separation of the two states (g B0). Notice that this torque will not change the length of the magnetization vector, it only varries its orientation.
This rotation can not be the only motion, sine then the system
would never return to equilibrium. So along with the rotation,
there is a relaxation of the vector to bring it back along the
z-axis. Therefore the x and y-components of the nuclear magnetization
decay towards zero, and the z-component decays towards the equilibrium
value (typically called M0).
The above is a "quick-time" movie that shows the motion of the bulk magnetization vector starting from a position along the x-axis and then evolving towards its equilibrium position along the z-axis. The movie was created in Mathematica (see appendix 1-3) and may be run by double clicking on the figure. The red bar progressing across the figure is meant to represent the flow of time.
Latter we will show how a pulse of radio frequency radiation will tilt the bulk magnetization vector away from the z-axis and creat this non-equilibrium magnetization. For now, we are only interested in the spin's return to equilibrium as shown in the above figure.
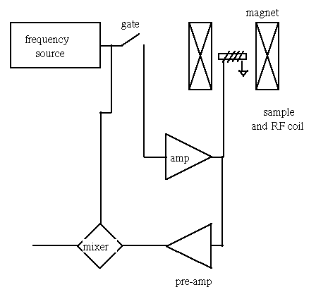
The NMR signal is detected as an induced voltage in a resonant RF coil. The rotating magnetic moment of the collection of spins acts as a macroscopic rotating magnetic dipole, and if placed inside a coil, this will give rise to an oscillating voltage across the coil's terminals. The induced electro-motive force is given as,

and so we see that the field lines of the RF coil must be perpendicular
to the z-axis, since the rotation is about the z-axis, and what
we will measure is the time varying x or y-component of the nuclear
magnetization. This signal typically looks like a damped sinusoid.

The time variation in the indicidual components of the bulk magnetization vector corresponding to the evolution shown in the quick time movie.
The resonance frequency (or Larmor frequency, w0) may be extracted from this free induction decay (FID) by a Fourier Transformation.

There are both real and imaginary components, or absorbtive and dispersive components. In general we are interested in the absorbtive lineshape.

