| | Particular and Homogeneous Solutions to Poisson's and Laplace's Equations
|
| 5.1.1 | In Problem 4.7.1, the potential of a point charge over a perfectly
conducting plane (where z > 0) was found to be Eq. (a) of that
problem. Identify particular and homogeneous parts of this solution.
|
| 5.1.2 | A solution for the potential in the region -a < y < a, where there is
a charge density , satisfies the boundary conditions = 0 in
the planes y = +a and y = -a.
|
| 5.1.3* | The charge density between the planes x = 0 and x = d depends
only on x.
Boundary conditions are that (x = 0) = 0 and (x =
d) = V, so = (x) is independent of y and z.
| (a) | Show that Poisson's equation therefore reduces to
|
| (b) | Integrate this expression twice and use the boundary
conditions to show that the potential distribution is
|
| (c) | Argue that the first term in (c) can be p, with the
remaining terms then h.
|
| (d) | Show that in that case, the boundary conditions satisfied by
h are
|
|
| 5.1.4 | With the charge density given as
carry out the steps in Prob. 5.1.3.
Figure P5.1.5
|
| 5.1.5* | A frequently used model for a capacitor is shown in Fig. P5.1.5,
where two plane parallel electrodes have a spacing that is small
compared to either of their planar dimensions. The potential
difference between the electrodes is v, and so over most of the
region between the electrodes, the electric field is uniform.
|
| 5.1.6* | In the three-electrode system of Fig.~P5.1.6, the bottom
electrode is taken as having the reference potential. The upper and
middle electrodes then have potentials v1 and v2, respectively.
The spacings between electrodes, 2d and d, are small enough relative
to the planar dimensions of the electrodes so that the fields between can
be approximated as being uniform.
| (a) | Show that the fields denoted in
the figure are then approximately E1 = v1/2d, E2 = v2/d
and Em = (v1 - v2)/d.
|
| (b) | Show that the net charges q1 and q2 on the top and
middle electrodes, respectively, are related to the voltages by the
capacitance matrix [in the form of (12)]
|
Figure P5.1.6
|
| | Continuity Conditions |
| 5.3.1* | The electric potentials a and b above and below
the plane y = 0 are
| (a) | Show that (4) holds. (The potential is continuous at y = 0.)
|
| (b) | Evaluate E tangential to the surface y = 0 and show
that it too is continuous. [Equation (1) is then automatically
satisfied at y = 0.]
|
| (c) | Use (5) to show that in the plane y = 0, the surface
charge density, s = 2 o V cos x, accounts for
the discontinuity in the derivative of normal to the plane y
= 0.
|
|
| 5.3.2 | By way of appreciating how the continuity of guarantees the
continuity of tangential E [(4) implies that (1) is
satisfied], suppose that the potential is given in the plane y = 0:
= (x, 0, z).
| (a) | Which components of E can be determined from this information alone?
|
| (b) | For example, if (x, 0, z) = V sin ( x) sin
( z), what are those components of E?
|
|
| | Coordinates
|
| 5.4.1* | A region that extends to in the z direction has the
square cross-section of dimensions as shown in Fig. P5.4.1. The walls
at x = 0 and y = 0 are at zero potential, while those at x = a
and y = a have
the linear distributions shown. The interior region is free of charge
density.
| (a) | Show that the potential inside is
|
| (b) | Show that plots of and E are as shown in the
first quadrant of Fig. 4.1.3.
|
Figure P5.4.1
Figure P5.4.2
|
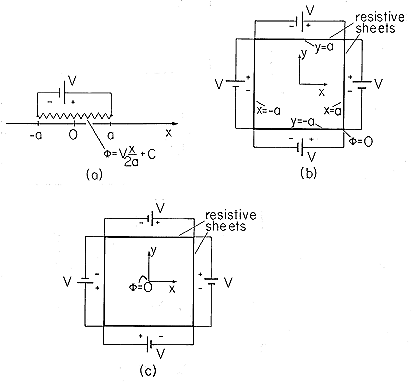
| 5.4.2 | One way to constrain a boundary so that it has a potential
distribution that is a linear function of position is shown in Fig.
P5.4.2a. A uniformly resistive sheet having a length 2a is driven by
a voltage source V. For the coordinate x shown, the resulting
potential distribution is the linear function of x shown. The constant
C is determined by the definition of where the potential is zero. In
the case shown in Fig. 5.4.2a, if is zero at x = 0, then C =
0.
| (a) | Suppose a cylindrical region having a square
cross-section of
length 2a on a side, as shown in Fig. 5.4.2b, is constrained in
potential by resistive sheets and voltage sources, as shown. Note
that the potential is defined to be zero at the lower right-hand corner,
where (x, y) = (a, -a). Inside the cylinder, what must the potential be
in the planes x = a and y = a?
|
| (b) | Find the linear combination of
the potentials from the first column of Table 5.4.1 that satisfies the
conditions on the potentials required by the resistive sheets. That
is, if takes the form
so that it satisfies Laplace's equation inside the cylinder, what are
the coefficients A, B, C, and D?
|
| (c) | Determine E for this
potential.
|
| (d) | Sketch and E.
|
| (e) | Now the potential on the
walls of the square cylinder is constrained as shown in Fig. 5.4.2c.
This time the potential is zero at the location (x, y) = (0, 0). Adjust
the coefficients in (a) so that the potential satisfies these
conditions. Determine E and sketch the equipotentials and field
lines.
|
|
| 5.4.3* | Shown in cross-section in Fig. P5.4.3 is a cylindrical system
that extends to infinity in the z directions. There is no charge
density inside the cylinder, and the potentials on the boundaries are
|
| 5.4.4 | The square cross-section of a cylindrical region that extends to
infinity in the z directions is shown in Fig. P5.4.4. The
potentials on the boundaries are as shown.
| (a) | Inside the cylindrical space, there is no charge density.
Find .
|
| (b) | What is E in this region?
|
| (c) | Sketch and E.
|
Figure P5.4.3
Figure P5.4.4
|
| 5.4.5* | The cross-section of an electrode structure which is symmetric
about the x = 0 plane is shown in Fig. P5.4.5. Above this plane are
electrodes that alternately either have the potential v(t) or the
potential -v(t). The system has depth d (into the paper) which is
very long compared to such dimensions as a or l. So that the
current i(t) can be measured, one of the upper electrodes has a
segment which is insulated from the rest of the electrode, but driven
by the same potential. The geometry of the upper electrodes is
specified by giving their altitudes above the x = 0 plane. For example,
the upper electrode between y = -b and y = b has the shape
where is as shown in Fig. P5.4.5.
| (a) | Show that the potential in the region between the
electrodes is
|
| (b) | Show that E in this region is
|
| (c) | Show that plots of and E are as shown in
Fig. 5.4.2.
|
| (d) | Show that the net charge on the upper electrode segment
between y = -l and y = l is
(Because the surface S in Gauss' integral law is arbitrary, it can be
chosen so that it both encloses this electrode and is convenient for
integration.)
|
| (e) | Given that v(t) = Vo sin t, where Vo and
are constants, show that the current to the electrode segment
i(t), as defined in Fig. P5.4.5, is
Figure P5.4.5
|
|
| 5.4.6 | In Prob. 5.4.5, the polarities of all of the voltage sources
driving the lower electrodes are reversed.
| (a) | Find in the region
between the electrodes.
|
| (b) | Determine E.
|
| (c) | Sketch and E.
|
| (d) | Find the charge q on the electrode segment in the upper
middle electrode.
|
| (e) | Given that v(t) = Vo cos t, what is i(t)?
|
|
| | Modal Expansion to Satisfy Boundary Conditions |
| 5.5.1* | The system shown in Fig. P5.5.1a is composed of a pair of
perfectly conducting parallel plates in the planes x = 0 and x =
a that are shorted in the plane y = b. Along the left edge, the
potential is imposed and so has a given distribution d (x).
The plates and short have zero potential.
| (a) | Show that, in terms of
d (x), the potential distribution for 0 < y < b, 0 < x < a is
where
(At this stage, the coefficients in a modal expansion
for the field are left expressed as integrals over the yet to be
specified potential distribution.)
|
| (b) | In particular, if the imposed
potential is as shown in Fig. P5.5.1b, show that An is
|

Figure P5.5.1
|
| 5.5.2* | The walls of a rectangular cylinder are constrained in potential
as shown in Fig. P5.5.2. The walls at x = a and y = b have
zero potential, while those at y = 0 and x = 0 have the potential
distributions V1 (x) and V2 (y), respectively.
In particular, suppose that these distributions of potential are
uniform, so that V1(x) = Va and V2(y) = Vb, with Va and
Vb defined to be independent of x and y.
| (a) | The region inside the cylinder is free space. Show that the potential distribution there is
|
| (b) | Show that the distribution of surface charge density along the
wall at x = a is
|
Figure P5.5.2
|
| 5.5.3 | In the configuration described in Prob. 5.5.2, the distributions
of potentials on the walls at x = 0 and y = 0 are as shown in
Fig. P5.5.3, where the peak voltages Va and Vb
are given functions of time.
| (a) | Determine the potential in the free space region inside the cylinder.
|
| (b) | Find the surface charge distribution on the wall at y =
b.
|
Figure P5.5.3
|
| 5.5.4* |
The cross-section of a system that extends to "infinity" out of
the paper is shown in Fig. P5.5.4. An electrode in the plane y = d has
the potential V. A second electrode has the shape of an "L." One of
its sides is in the plane y = 0, while the other is in the plane x = 0,
extending from y = 0 almost to y = d. This electrode is at zero
potential.
Figure P5.5.4
|
| 5.5.5 | In the two-dimensional system shown in cross-section in Fig.
P5.5.5, plane parallel plates extend to infinity in the
-y direction.
The potentials of the upper and lower plates are, respectively, -Vo/2
and Vo/2. The potential over the plane y = 0 terminating
the plates at the right is specified to be d(x).
| (a) | What is the potential distribution between the plates far to the left?
|
| (b) | If is taken as the potential a that
assumes the correct distribution as y - , plus a
potential b, what boundary conditions must be satisfied by
b?
|
| (c) | What is the potential distribution between the plates?
|
Figure P5.5.5
|
| 5.5.6 | As an alternative (and in this case much more complicated) way of
expressing the potential in Prob. 5.4.1, use a modal approach to
express the potential in the interior region of Fig. P5.4.1.
|
| 5.5.7* | Take an approach to finding the potential in the configuration of
Fig. 5.5.2 that is an alternative to that used in the text. Let
= (Vy/b) + 1.
| (a) | Show that the boundary conditions that
must be satisfied by 1 are that 1 = -Vy/b at x = 0
and at x = a, and 1 = 0 at y = 0 and y = b.
|
| (b) | Show that the potential is
where
(It is convenient to exploit the symmetry of the configuration about
the plane x = a/2.)
|
|
| | Conditions
|
| 5.6.1* | The potential distribution is to be determined in a region
bounded by the planes y = 0 and y = d and extending to infinity
in the x
and z directions, as shown in Fig. P5.6.1. In this region, there is a
uniform charge density o. On the upper boundary, the
potential is (x, d, z) = Va sin ( x). On the lower boundary,
(x, 0, z) = Vb sin ( x). Show that (x, y, z)
throughout the region 0 < y < d is
Figure P5.6.1
|
| 5.6.2 | For the configuration of Fig. P5.6.1, the charge is again uniform
in the region between the boundaries, with density o, but the
potential at y = d is = o sin (kx), while that at y =
0 is zero ( o and k are given constants). Find in the
region where 0 < y < d, between the boundaries.
|
| 5.6.3* | In the region between the boundaries at y = d/2 in Fig.
P5.6.3, the charge density is
where o and are given constants. Electrodes at
y = d/2 constrain the tangential electric field there to be
The charge density might represent a traveling wave of space
charge on a modulated particle beam, and the walls represent the
traveling-wave structure which interacts with the beam. Thus, in a
practical device, such as a traveling-wave amplifier designed to
convert the kinetic energy of the moving charge to ac electrical
energy available at the electrodes, the charge and potential
distributions move to the right with the same velocity. This does not
concern us, because we consider the interaction at one instant in
time.
Figure P5.6.3
|
| 5.6.4 | In the region 0 < y < d shown in cross-section in Fig. P5.6.4, the
charge density is
where o and are constants. Electrodes at y = d
constrain the potential there to be (x, d) = Vo cos (kx)
(Vo and k given constants), while an electrode at y = 0 makes
(x, 0) = 0.
Figure P5.6.4
|
| 5.6.5* | A region that extends to infinity in the z directions has a
rectangular cross-section of dimensions 2a and b, as shown in Fig.
P5.6.5. The boundaries are at zero potential while the region inside
has the distribution of charge density
where o is a given constant. Show that the potential in this
region is
Figure P5.6.5
|
| 5.6.6 | The cross-section of a two-dimensional configuration is shown in
Fig. P5.6.6. The potential distribution is to be determined inside
the boundaries, which are all at zero potential.
| (a) | Given that a particular solution inside the boundaries is
where V and are given constants, what is the charge density
in that region?
|
| (b) | What is ?
|
Figure P5.6.6
|
| 5.6.7 | The cross-section of a metal box that is very long in the z
direction is shown in Fig. P5.6.7. It is filled by the charge density
o x/l. Determine inside the box, given that = 0
on the walls.
Figure P5.6.7
|
| 5.6.8* | In region (b), where y < 0, the charge density is = o
cos ( x) e y, where o, , and are
positive constants. In region (a), where 0 < y, = 0.
| (a) | Show that a particular solution in the region y < 0 is
|
| (b) | There is no surface charge density in the plane y = 0.
Show that the potential is
|
|
| 5.6.9 | A sheet of charge having the surface charge density s =
o sin (x - xo) is in the plane y = 0, as shown
in Fig. 5.6.3. At a distance a above and below the sheet, electrode
structures are used to constrain the potential to be = V cos
x. The system extends to infinity in the x and z
directions. The regions above and below the sheet are designated (a)
and (b), respectively.
| (a) | Find a and b in terms of the constants V,
, o, and xo.
|
| (b) | Given that the force per unit area acting on the charge
sheet is s Ex (x, 0), what is the force acting on a section
of the sheet having length d in the z direction and one
wavelength 2 / in the x direction?
|
| (c) | Now, the potential on
the wall is made a traveling wave having a given angular frequency
, (x, a, t) = V cos ( x - t),
and the charge moves to the right with a velocity U, so that
s = o sin (x - Ut - xo), where U =
/ . Thus, the
wall potentials and surface charge density move in synchronism.
Building on the results from parts (a)-(b), what is the potential
distribution and hence total force on the section of charged sheet?
|
| (d) | What you have developed is a primitive model for an
electron beam
device used to convert the kinetic energy of the electrons
(accelerated to the velocity v by a dc voltage) to high-frequency
electrical power
output. Because the system is free of dissipation, the electrical power
output (through the electrode structure) is equal to the mechanical
power input. Based on the force found in part (c), what is the
electrical power output produced by one period 2 / of the
charge sheet of width w?
|
| (e) | For what values of xo would the
device act as a generator of electrical power?
|
|
| | Solutions to Laplace's Equation in Polar Coordinates |
| 5.7.1* | A circular cylindrical surface r = a has the potential = V
sin 5 . The regions r < a and a < r are free of charge
density. Show that the potential is
|
| 5.7.2 | The x - z plane is one of zero potential. Thus, the y axis is
perpendicular to a zero potential plane. With measured
relative to the x axis and z the third coordinate axis, the
potential on the surface at r = R is constrained by segmented
electrodes there to be = V sin .
| (a) | If = 0 in the region r < R, what is in that region?
|
| (b) | Over the range r < R, what is the
surface charge density on the surface at y = 0?
|
|
| 5.7.3* | An annular region b < r < a where = 0 is bounded from outside
at r = a by a surface having the potential = Va cos 3
and from the inside at r = b by a surface having the potential
= Vb sin . Show that in the annulus can be written
as the sum of two terms, each a combination of solutions to Laplace's
equation designed to have the correct value at one radius while being
zero at the other.
|
| 5.7.4 | In the region b < r < a, 0 < < , = 0. On the
boundaries of this region at r = a, at = 0 and =
, = 0. At r = b, = Vb sin ( / ).
Determine in this region.
|
| 5.7.5* | In the region b < r < a, 0 < < , = 0. On the
boundaries of this region at r = a, r = b and at = 0,
= 0. At = , the potential is = V sin
[3 ln(r/a)/ln(b/a)]. Show that within the region,
|
| 5.7.6 | The plane = 0 is at potential = V, while that at =
3 /2 is at zero potential. The system extends to infinity in the
z and r directions. Determine and sketch and E
in the range 0 < < 3 /2.
|
| | Examples in Polar Coordinates |
| 5.8.1* | Show that and E as given by (4) and (5), respectively,
describe the potential and electric field intensity around a perfectly
conducting half-cylinder at r = R on a perfectly conducting plane at
x = 0 with a uniform field Ea ix applied at x
. Show that the maximum field intensity is twice that of the
applied field, regardless of the radius of the half-cylinder.
|
| 5.8.2 | Coaxial circular cylindrical surfaces bound an annular region of
free space where b < r < a. On the inner surface, where r = b,
= Vb > 0. On the outer surface, where r = a, = Va >
0.
| (a) | What is in the annular region?
|
| (b) | How large must Vb be to
insure that all lines of E are outward directed from the inner
cylinder?
|
| (c) | What is the net charge per unit length on the inner
cylinder under the conditions of (b)?
|
|
| 5.8.3* | A device proposed for using the voltage vo to measure the
angular velocity of a shaft is shown in Fig. P5.8.3a. A
cylindrical grounded electrode has radius R. (The
resistance Ro is "small.") Outside and concentric at r = a is a
rotating shell supporting the surface charge density distribution
shown in Fig. P5.8.3b.
Figure P5.8.3
|
| 5.8.4 | Complete the steps of Prob. 5.8.3 with the configuration of Fig.
P5.8.3 altered so that the rotating shell is inside rather than
outside the grounded electrode. Thus, the radius a of the rotating
shell is less than the radius R, and region (a) is a < r < R,
while region (b) is r < a.
|
| 5.8.5* | A pair of perfectly conducting zero potential electrodes form a
wedge, one in the plane = 0 and the other in the plane
= . They essentially extend to infinity in the z
directions. Closing the region between the electrodes at r = R is an
electrode having potential V. Show that the potential inside the
region bounded by these three surfaces is
|
| 5.8.6 | In a two-dimensional system, the region of interest is bounded in
the = 0 plane by a grounded electrode and in the =
plane by one that has = V. The region extends to
infinity in the r direction. At r = R, = V. Determine
.
|
| 5.8.7 | Figure P5.8.7 shows a circular cylindrical wall having potential
Vo relative to a grounded fin in the plane = 0 that reaches from
the wall to the center. The gaps between the cylinder and the fin are
very small.
| (a) | Find all solutions in polar coordinates that satisfy
the boundary conditions at = 0 and = 2 . Note
that you cannot accept solutions for of negative powers in
r.
|
| (b) | Match the boundary condition at r = R.
|
| (c) | One of the terms in this solution
has an electric field intensity that is infinite at the tip of the
fin, where r = 0. Sketch and E in the neighborhood of the
tip. What is the s on the fin associated with this term as
a function of r? What is the net charge associated with this term?
|
| (d) | Sketch the potential and field intensity throughout the
region.
|
Figure P5.8.7
|
| 5.8.8 | A two-dimensional system has the same cross-sectional geometry as
that shown in Fig. 5.8.6 except that the wall at = 0 has the
potential v. The wall at = o is grounded. Determine the
interior potential.
|
| 5.8.9 | Use arguments analogous to those used in going from (5.5.22) to
(5.5.26) to show the orthogonality (14) of the radial modes
Rn defined by (13). [Note the comment following (14).]
|
| | Three Solutions to Laplace's Equation in Spherical Coordinates
|
| 5.9.1 | On the surface of a spherical shell having radius r = a, the
potential is = V cos .
| (a) | With no charge density either outside
or inside this shell, what is for r < a and for r > a?
|
| (b) | Sketch and E.
|
|
| 5.9.2* | A spherical shell having radius a supports the surface charge
density o cos .
| (a) | Show that if this is the only charge in the
volume of interest, the potential is
|
| (b) | Show that a plot of and E appears as shown in
Fig. 6.3.1.
|
|
| 5.9.3* | A spherical shell having zero potential has radius a. Inside,
the charge density is = o cos . Show that the
potential there is
|
| 5.9.4 | The volume of a spherical region is filled with the charge
density = o (r/a)m cos , where o and m
are given constants. If the potential = 0 at r = a, what is
for r < a?
|
| | Three-Dimensional Solutions to Laplace's Equation
|
| 5.10.1* | In the configuration of Fig. 5.10.2, all surfaces have zero
potential except those at x = 0 and x = a, which have = v.
Show that
and
|
| 5.10.2 | In the configuration of Fig. 5.10.2, all surfaces have zero
potential. In the plane y = a/2, there is the surface charge density
s = o sin ( x/a) sin ( z/w). Find the
potentials a and b above and below this surface,
respectively.
|
| 5.10.3 | The configuration is the same as shown in Fig. 5.10.2 except that
all of the walls are at zero potential and the volume is filled by the
uniform charge density = o. Write four essentially
different expressions for the potential distribution.
|