prev next


 

The Vector Potential and the Vector Poisson Equation

8.1.1A solenoid has radius a, length d, and turns N, as shown in Fig. 8.2.3. The length d is much greater than a, so it can be regarded as being infinite. It is driven by a current i.

(a) Show that Ampère's differential law and the magnetic flux continuity law [(8.0.1) and (8.0.2)], as well as the associated continuity conditions [(8.0.3) and (8.0.4)], are satisfied by an interior magnetic field intensity that is uniform and an exterior one that is zero.
(b) What is the interior field?
(c) A is continuous at r = a because otherwise the H field would have a singularity. Determine A.

8.1.2*A two-dimensional magnetic quadrupole is composed of four line currents of magnitudes i, two in the positive z direction at x = 0, y = d/2 and two in the negative z direction at x = d/2, y = 0. (With the line charges representing line currents, the cross-section is the same as shown in Fig. P4.4.3.) Show that in the limit where r d, Az = - (o id2/4 )(r-2) cos 2. (Note that distances must be approximated accurately to order d2.)
8.1.3A two-dimensional coil, shown in cross-section in Fig. P8.1.3, is composed of N turns of length l in the z direction that is much greater than the width w or spacing d. The thickness of the windings in the y direction is much less than w and d. Each turn carries the current i. Determine A.

floating figure GIF #37
Figure P8.1.3

 

The Biot-Savart Superposition Integral

8.2.1*The washer-shaped coil shown in Fig. P8.2.1 has a thickness that is much less than the inner radius b and outer radius a. It supports a current density J = Jo i. Show that along the z axis,

equation GIF #8.145
floating figure GIF #38
Figure P8.2.1
8.2.2*A coil is wound so that the wire forms a spherical shell of radius R with the wire essentially running in the direction. With the wire driven by a current source, the resulting current distribution is a surface current at r = R having the density K = Ko sin i, where Ko is a given constant. There are no other currents. Show that at the center of the coil, H = (2Ko/3)iz.

8.2.3In the configuration of Prob. 8.2.2, the surface current density is uniformly distributed, so that K = Ko i, where Ko is again a constant. Find H at the center of the coil.
8.2.4Within a spherical region of radius R, the current density is J = Jo i, where Jo is a given constant. Outside this region is free space and no other sources of H. Determine H at the origin.

8.2.5*A current i circulates around a loop having the shape of an equilateral triangle having sides of length d, as shown in Fig. P8.2.5. The loop is in the z = 0 plane. Show that along the z axis,

equation GIF #8.146
floating figure GIF #39
Figure P8.2.5
8.2.6For the two-dimensional coil of Prob. 8.1.3, use the Biot-Savart superposition integral to find H along the x axis.
8.2.7*Show that A induced at point P by the current stick of Figs. 8.2.5 and 8.2.6 is

equation GIF #8.147
 

The Scalar Magnetic Potential

8.3.1Evaluate the H field on the axis of a circular loop of radius R carrying a current i. Show that your result is consistent with the result of Example 8.3.2 at distances from the loop much greater than R.

8.3.2Determine for two infinitely long parallel thin wires carrying currents i in opposite directions parallel to the z axis of a Cartesian coordinate system and located along x = a. Show that the lines = const in the x - y plane are circles.
8.3.3Find the scalar potential on the axis of a stack of circular loops (a coil) of N turns and length l using 8.3.12 for an individual turn, integrating over all the turns. Find H on the axis.

 

Magnetoquasistatic Fields in the Presence of Perfect Conductors

8.4.1*A current loop of radius R is at the center of a conducting spherical shell having radius b. Assume that R b and that i(t) is so rapidly varying that the shell can be taken as perfectly conducting. Show that in spherical coordinates, where R r < b
equation GIF #8.148
8.4.2The two-dimensional magnetic dipole of Example 8.1.2 is at the center of a conducting shell having radius a d. The current i(t) is so rapidly varying that the shell can be regarded as perfectly conducting. What are and H in the region d r < a?
8.4.3*The cross-section of a two-dimensional system is shown in Fig. P8.4.3. A magnetic flux per unit length so Ho is trapped between perfectly conducting plane parallel plates that extend to infinity to the left and right. At the origin on the lower plate is a perfectly conducting half-cylinder of radius R.

(a) Show that if s R, then
equation GIF #8.149
(b) Show that a plot of H would appear as in the left half of Fig. 8.4.2 turned on its side.

floating figure GIF #40
Figure P8.4.3
8.4.4In a three-dimensional version of that shown in Fig. P8.4.3, a perfectly conducting hemispherical bump of radius s R is attached to the lower of two perfectly conducting plane parallel plates. The hemisphere is centered at the origin of a spherical coordinate system such as in Fig. P8.4.3, with . The magnetic field intensity is uniform far from the hemisphere. Determine and H.
8.4.5*Running from z = - to z = + at (x, y) = (0, -h) is a wire. The wire is parallel to a perfectly conducting plane at y = 0. When t = 0, a current step i = I u-1(t) is applied in the +z direction to the wire.

(a) Show that in the region y < 0,
equation GIF #8.150
(b) Show that the surface current density at y = 0 is Kz = - ih/ (x2 + h2).

floating figure GIF #41
Figure P8.4.6
8.4.6The cross-section of a system that extends to infinity in the z directions is shown in Fig. P8.4.6. Surrounded by free space, a sheet of current has the surface current density Ko iz uniformly distributed between x = b and x = a. The plane x = 0 is perfectly conducting.
(a) Determine in the region 0 < x.
(b) Find K in the plane x = 0.
 

Piece-Wise Magnetic Fields

8.5.1*The cross-section of a cylindrical winding is shown in Fig. P8.5.1. As projected onto the y = 0 plane, the number of turns per unit length is constant and equal to N/2R. The cylinder can be modeled as infinitely long in the axial direction.

figure GIF #1a
Figure P8.5.1


figure GIF #1b
Figure P8.5.2
(a) Given that the winding carries a current i, show that
equation GIF #8.151
and that therefore
equation GIF #8.152
(b) Show that the inductance per unit length of the winding is L = o N2/8.

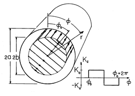
8.5.2The cross-section of a rotor, coaxial with a perfectly conducting "magnetic shield," is shown in Fig. P8.5.2. Windings consisting of N turns per unit peripheral length are distributed uniformly at r = b so that at a given instant in time, the surface current distribution is as shown. At r = a, there is the inner surface of a perfect conductor. The system is very long in the z direction.
(a) What are the continuity conditions on at r = b and the boundary condition at r = a?
(b) Find , and hence H, in regions (a) and (b) outside and inside the winding, respectively.
(c) With the understanding that the rotor is wound using one wire, so that each turn is in series with the next and a wire carrying the current in the +z direction at returns the current in the -z direction at -, what is the inductance of the rotor coil? Why is it independent of the rotor position o?
 

Vector Potential

8.6.1*In Example 1.4.1, the magnetic field intensity is determined to be that given by (1.4.7). Define Az to be zero at the origin.

(a) Show that if H is to be finite in the neighborhood of r = R, Az must be continuous there.
(b) Show that A is given by
equation GIF #8.153
(c) The loop designated by C' in Fig. 1.4.2 has a length l in the z direction, an inner leg at r = 0, and an outer leg at r = a > R. Use A to show that the flux linked is
equation GIF #8.154

8.6.2For the configuration of Prob. 1.4.2, define Az as being zero at the origin.
(a) Determine Az in the regions r < b and b < r < a.
(b) Use A to determine the flux linked by a closed rectangular loop having length \l in the z direction and each of its four sides in a plane of constant . Two of the sides are parallel to the z axis, one at radius r = c and the other at r = 0. The other two, respectively, join the ends of these segments, running radially from r = 0 to r = c.

8.6.3*In cylindrical coordinates, o H = o [Hr(r, z)ir + Hz(r, z)iz]. That is, the magnetic flux density is axially symmetric and does not have a component.
(a) Show that
equation GIF #8.155
(b) Show that the flux passing between contours at r = a and r = b is
equation GIF #8.156
8.6.4*For the inductive attenuator considered in Example 8.6.3 and Demonstration 8.6.2:
(a) derive the vector potential, (20), without identifying this MQS problem with its EQS counterpart.
(b) Show that the current is as given by (21).
(c) In the limit where b/a 1, show that the response has the dependence on b/a shown in the plot of Fig. 8.6.11.
(d) Show that in the opposite limit, where b/a 1, the total current in the lower plate (21) is consistent with a magnetic field intensity between the upper and lower plates that is uniform (with respect to y) and hence equal to ( /bo )ix. Note that
equation GIF #8.157
floating figure GIF #44
Figure P8.6.5
8.6.5Perfectly conducting electrodes are composed of sheets bent into the shape of 's, as shown in Fig. P8.6.5. The length of the system in the z direction is very large compared to the length 2a or height d, so the fields can be regarded as two dimensional. The insulating gaps have a width that is small compared to all dimensions. Passing through these gaps is a magnetic flux (per unit length in the z direction) (t). One method of solution is suggested by Example 6.6.3.
(a) Find A in regions (a) and (b) to the right and left, respectively, of the plane x = 0.
(b) Sketch H.
8.6.6*The wires comprising the winding shown in cross-section by Fig. P8.6.6 carry current in the -z direction over the range 0 < x < a and return this current over the range -a < x < 0. These windings extend uniformly over the range 0 < y < b. Thus, the current density in the region of interest is J = - ino sin ( x/a)iz, where i is the current carried by each wire and |no sin ( x/a)| is the number of turns per unit area. This region is surrounded by perfectly conducting walls at y = 0 and y = b and at x = -a and x = a. The length l in the z direction is much greater than either a or b.

floating figure GIF #45
Figure P8.6.6
(a) Show that
equation GIF #8.158
(b) Show that the inductance of the winding is
equation GIF #8.159
(c) Sketch H.
8.6.7In the configuration of Prob. 8.6.6, the rectangular region is uniformly filled with wires that all carry their current in the z direction. There are no of these wires per unit area. The current carried by each wire is returned in the perfectly conducting walls.
(a) Determine A.
(b) Assume that all the wires are connected to the wall by a terminating plate at z = l and that each is driven by a current source i(t) in the plane z = 0. Note that it has been assumed that each of these current sources is the same function of time. What is the voltage v(x, y, t) of these sources?
8.6.8In the configuration of Prob. 8.6.6, the turns are uniformly distributed. Thus, no is a constant representing the number of wires per unit area carrying current in the -z direction in the region 0 < x. Assume that the wire carrying current in the -z direction at the location (x, y) returns the current at (-x, y).
(a) Determine A.
(b) Find the inductance L.




prev next