prev next


 

Laws and Continuity Conditions with Magnetization

9.2.1 Return to Prob. 6.1.1 and replace P M. Find m and sm.
9.2.2*A circular cylindrical rod of material is uniformly magnetized in the y' direction transverse to its axis, as shown in Fig. P9.2.2. Thus, for r < R, M = Mo [ix sin + iy cos ]. In the surrounding region, the material forces H to be zero. (In Sec. 9.6, it will be seen that such a material is one of infinite permeability.)

figure GIF #1
Figure P9.2.2
(a) Show that if H = 0 everywhere, both Ampère's law and (9.2.2) are satisfied.
(b) Suppose that the cylinder rotates with the angular velocity so that = t. Then, B is time varying even though there is no H. A one-turn rectangular coil having depth d in the z direction has legs running parallel to the z axis in the +z direction at x = -R, y = 0 and in the -z direction at x = R, y = 0. The other legs of the coil are perpendicular to the z axis. Show that the voltage induced at the terminals of this coil by the time-varying magnetization density is v = -o 2 Rd Mo sin t.

figure GIF #2
Figure P9.2.3
9.2.3In a region between the planes y = a and y = 0, a material that moves in the x direction with velocity U has the magnetization density M = Mo iy cos (x - Ut), as shown in Fig. P9.2.2. The regions above and below are constrained so that H = 0 there and so that the integral of H ds between y = 0 and y = a is zero. (In Sec. 9.7, it will be clear that these materials could be the pole faces of a highly permeable magnetic circuit.)
(a) Show that Ampère's law and (9.2.2) are satisfied if H = 0 throughout the magnetizable layer of material.
(b) A one-turn rectangular coil is located in the y = 0 plane, one leg running in the +z direction at x = -d (from z = 0 to z = l) and another running in the -z direction at x = d (from z = l to z = 0). What is the voltage induced at the terminals of this coil by the motion of the layer?
 

Permanent Magnetization

9.3.1*The magnet shown in Fig. P9.3.1 is much longer in the z directions than either of its cross-sectional dimensions 2a and 2b. Show that the scalar magnetic potential is

equation GIF #9.110
(Note Example 4.5.3.)
floating figure GIF #32
Figure P9.3.1
9.3.2*In the half-space y > 0, M = Mo cos ( x) exp (- y)iy, where and are given positive constants. The half-space y < 0 is free space. Show that
equation GIF #9.111
9.3.3In the half-space y < 0, M = Mo sin ( x) exp ( y)ix, where and are positive constants. The half-space y > 0 is free space. Find the scalar magnetic potential.
figure GIF #3
Figure P9.3.4
9.3.4For storage of information, the cylinder shown in Fig. P9.3.4 has the magnetization density
equation GIF #9.112
where p is a given integer. The surrounding region is free space.
(a) Determine the magnetic potential .
(b) A magnetic pickup is comprised of an N-turn coil located at = /2. This coil has a dimension a in the direction that is small compared to the periodicity length 2 R/p in that direction. Every turn is essentially at the radius d + R. Determine the output voltage vout when the cylinder rotates, = t.

(c) Show that if the density of information on the cylinder is to be high (p is to be high), then the spacing between the coil and the cylinder, d, must be small.
 

Magnetization Constitutive Laws

9.4.1*The toroidal core of Example 9.4.1 and Demonstration 9.4.1 is filled by a material having the single-valued magnetization characteristic M = Mo tanh ( H), where M and H are collinear.
(a) Show that the B-H characteristic is of the type illustrated in Fig. 9.4.4.
(b) Show that if i = io cos t, the output voltage is
equation GIF #9.113
(c) Show that the characteristic is essentially linear, provided that N1 io/2 R 1.

9.4.2The toroidal core of Demonstration 9.4.1 is driven by a sinusoidal current i(t) and responds with the hysteresis characteristic of Fig. 9.4.6. Make qualitative sketches of the time dependence of
(a) B(t)
(b) the output voltage v(t).
 

Fields in the Presence of magnetically Linear Insultating Materials

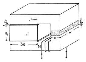
9.5.1*A perfectly conducting sheet is bent into a shape to make a one-turn inductor, as shown in Fig. P9.5.1. The width w is much larger than the dimensions in the x - y plane. The region inside the inductor is filled with two linearly magnetizable materials having permeabilities a and b, respectively. The cross-section of the system in any x - y plane is the same. The cross-sectional areas of the magnetizable materials are Aa and Ab, respectively. Given that the current i(t) is uniformly distributed over the width w of the inductor, show that H = (i/w)iz in both of the magnetizable materials. Show that the inductance L = (a Aa + b Ab)/w.
floating figure GIF #33
Figure P9.5.1
9.5.2Perfectly conducting coaxial cylinders, shorted at one end, form the one-turn inductor shown in Fig. P9.5.2. The total current i flowing on the surface at r = b of the inner cylinder is returned through the short and the outer conductor at r = a. The annulus is filled by materials of uniform permeability with an interface at r = R, as shown.
floating figure GIF #34
Figure P9.5.2
(a) Determine H in the annulus. (A simple solution can be shown to satisfy all the laws and continuity conditions.)
(b) Find the inductance.
9.5.3*The piece-wise uniform material in the one-turn inductor of Fig. P9.5.1 is replaced by a smoothly inhomogeneous material having the permeability = - m x/l, where m is a given constant. Show that the inductance is L = dm l/2w.

9.5.4The piece-wise uniform material in the one-turn inductor of Fig. P9.5.2 is replaced by one having the permeability = m (r/b), where m is a given constant. Determine the inductance.

9.5.5*Perfectly conducting coaxial cylinders, shorted at one end, form a one-turn inductor as shown in Fig. P9.5.5. Current flowing on the surface at r = b of the inner cylinder is returned on the inner surface of the outer cylinder at r = a. The annulus is filled by sectors of linearly magnetizable material, as shown.
(a) Assume that in the regions (a) and (b), respectively, H = i A/r and H = i C/r, and show that with A and C functions of time, these fields satisfy Ampère's law and the flux continuity law in the respective regions.
(b) Use the flux continuity condition at the interfaces between regions to show that C = (a /b)A.
(c) Use Ampère's integral law to relate C and A to the total current i in the inner conductor.
(d) Show that the inductance is L = l a ln(a/b)/[ + (2 - ) a /b ].
(e) Show that the surface current densities at r = b adjacent to regions (a) and (b), respectively, are Kz = A/b and Kz = C/b.

floating figure GIF #35
Figure P9.5.5
9.5.6In the one-turn inductor of Fig. P9.5.1, the material of piece-wise uniform permeability is replaced by another such material. Now the region between the plates in the range 0 < z < a is filled by material having uniform permeability a, while = b in the range a < z < w. Determine the inductance.

 

Fields in Piece-Wise Uniform Magnetically Linear Materials

9.6.1*A winding in the y = 0 plane is used to produce the surface current density K = Ko cos z ix. Region (a), where y > 0, is free space, while region (b), where y < 0, has permeability .
(a) Show that
equation GIF #9.114
(b) Now consider the same problem, but assume at the outset that the material in region (b) has infinite permeability. Show that it agrees with the limit of the first expression of part (a).

(c) In turn, use the result of part (b) as a starting point in finding an approximation to in the highly permeable material. Show that this result agrees with the limit of the second result of part (a) where o.

9.6.2The planar region -d < y < d is bounded from above and below by infinitely permeable materials, as shown in Fig. P9.6.2. Region (a) to the right and region (b) to the left are separated by a current sheet in the plane x = 0 with the distribution K = iz Ko sin ( y/2d). The system extends to infinity in the x directions and is two dimensional.

floating figure GIF #36
Figure P9.6.2
(a) In terms of , what are the boundary conditions at y = d.
(b) What continuity conditions relate in regions (a) and (b) where they meet at x = 0?
(c) Determine .

9.6.3*The cross-section of a two-dimensional cylindrical system is shown in Fig. P9.6.3. A region of free space having radius R is surrounded by material having permeability which can be considered as extending to infinity. A winding at r = R is driven by the current i and has turns density (N/2R) sin (turns per unit length in the direction). Thus, at r = R, there is a current density K = (N/2R) i sin iz.

equation GIF #9.115
(a) Show that
(b) An n-turn coil having a spacing between conductors of 2a is now placed at the center. The magnetic axis of this coil is inclined at the angle relative to the x axis. This coil has length l in the z direction. Show that the mutual inductance between this coil and the one at r = R is Lm = o a ln N cos /R[1 + (o / )].
floating figure GIF #37
Figure P9.6.3
9.6.4The cross-section of a motor or generator is shown in Fig. 11.7.7. The two coils comprising the stator and rotor windings and giving rise to the surface current densities of (11.7.24) and (11.7.25) have flux linkages having the forms given by (11.7.26).

infinite, and determine the vector potential in the air gap.
(a) Assume that the permeabilities of the rotor and stator are
(b) Determine the self-inductances Ls and Lr and magnitude of the peak mutual inductance, M, in (11.7.26). Assume that the current in the +z direction at is returned at + .

9.6.5A wire carrying a current i in the z direction is suspended a height h above the surface of a magnetizable material, as shown in Fig. P9.6.5. The wire extends to "infinity" in the z directions. Region (a), where y > 0, is free space. In region (b), where y < 0, the material has uniform permeability .

images to determine the fields in the two regions.
(a) Use the method of
(b) Now assume that o and find H in the upper region, assuming at the outset that .
(c) In turn, use this approximate result to find the field in the permeable material.

(d) Show that the results of (b) and (c) are consistent with those from the exact analysis in the limit where o.

floating figure GIF #38
Figure P9.6.5
9.6.6*A conductor carries the current i(t) at a height h above the upper surface of a material, as shown in Fig. P9.6.5. The force per unit length on the conductor is f = i x o H, where i is a vector having the direction and magnitude of the current i(t), and H does not include the self-field of the line current.

f = o iy i2/4 h.
(a) Show that if the material is a perfect conductor,
(b) Show that if the material is infinitely permeable, f = - o iy i2/4 h.

9.6.7*Material having uniform permeability is bounded from above and below by regions of infinite permeability, as shown in Fig. P9.6.7. With its center at the origin and on the surface of the lower infinitely permeable material is a hemispherical cavity of free space having radius a that is much less than d. A field that has the uniform intensity Ho far from the hemispherical surface is imposed in the z direction.

approximate magnetic potential in the magnetizable material is = - Ho a[(r/a) + (a/r)2/2] cos .
(a) Assume o and show that the
(b) In turn, show that the approximate magnetic potential inside the hemisphere is = - 3Ho z/2.

floating figure GIF #39
Figure P9.6.7
9.6.8In the magnetic tape configuration of Example 9.3.2, the system is as shown in Fig. 9.3.2 except that just below the tape, in the plane y = -d/2, there is an infinitely permeable material, and in the plane y = a > d/2 above the tape, there is a second infinitely permeable material. Find the voltage vo.
9.6.9*A cylindrical region of free space of rectangular cross-section is surrounded by infinitely permeable material, as shown in Fig. P9.6.9. Surface currents are imposed by means of windings in the planes x = 0 and x = b. Show that

equation GIF #9.116
floating figure GIF #40
Figure P9.6.9
9.6.10*A circular cylindrical hole having radius R is cut through a material having permeability a. A conductor passing through this hole has permeability b and carries the uniform current density J = Jo iz, as shown in Fig. P9.6.10. A field that is uniform far from the hole, where it is given by H = Ho ix, is applied by external means. Show that for r < R, and R < r, respectively,
equation GIF #9.117
floating figure GIF #41
Figure P9.6.10
9.6.11*Although the introduction of a magnetizable sphere into a uniform magnetic field results in a distortion of that field, nevertheless, the field within the sphere is uniform. This fact makes it possible to determine the field distribution in and around a spherical particle even when its magnetization characteristic is nonlinear. For example, consider the fields in and around the sphere of material shown together with its B-H curve in Fig. P9.6.11. where M is a constant to be determined, and show that the magnetic field intensity inside the sphere is uniform, z directed, and of magnitude H = Ho - M/3, and hence that the magnetic flux density, B, in the sphere is related to the magnitude of the magnetic field intensity H by
equation GIF #9.118
(a) Assume that the magnetization density is M = M iz,
(b) Draw this load line in the B-H plane, showing that it is a straight line with intercepts 3Ho/2 and 3o Ho with the H and B axes, respectively.
(c) Show how (B, H) in the sphere are determined, given the applied field intensity Ho, by graphically finding the point of intersection between the B - H curve of Fig. P9.6.11 and (a).

(d) Show that if Ho = 4 x 105 A/m, B = 0.75 tesla and H = 3.1 x 105 A/m.

floating figure GIF #42
Figure P9.6.11
floating figure GIF #43
Figure P9.6.12
9.6.12The circular cylinder of magnetizable material shown in Fig. P9.6.12 has the B - H curve shown in Fig. P9.6.11. Determine B and H inside the cylinder resulting from the application of a field intensity H = Ho ix where Ho = 4 x 105 A/m.

9.6.13The spherical coil of Example 9.6.1 is wound around a sphere of material having the B - H curve shown in Fig. P9.6.11. Assume that i = 800 A, N = 100 turns, and R = 10 cm, and determine B and H in the material.
 

Magnetic Circuits

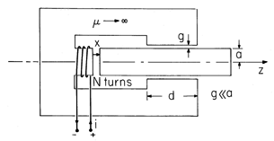
9.7.1*The magnetizable core shown in Fig. P9.7.1 extends a distance d into the paper that is large compared to the radius a. The driving coil, having N turns, has an extent in the direction that is small compared to dimensions of interest. Assume that the core has a permeability that is very large compared to o.

(with defined to be zero at = ) are

equation GIF #9.119
(a) Show that the approximate H and inside the core
(b) Show that the approximate magnetic potential in the central region is
equation GIF #9.120
floating figure GIF #44
Figure P9.7.1
9.7.2For the configuration of Prob. 9.7.1, determine in the region outside the core, r > a.
9.7.3*In the magnetic circuit shown in Fig. P9.7.3, an N-turn coil is wrapped around the center leg of an infinitely permeable core. The sections to right and left have uniform permeabilities a and b, respectively, and the gap lengths a and b are small compared to the other dimensions of these sections. Show that the inductance L = N2 w[(b d/b) + (a c/a)].

floating figure GIF #45
Figure P9.7.3
floating figure GIF #46
Figure P9.7.4
9.7.4The magnetic circuit shown in Fig. P9.7.4 is constructed from infinitely permeable material, as is the hemispherical bump of radius R located on the surface of the lower pole face. A coil, having N turns, is wound around the left leg of the magnetic circuit. A second coil is wound around the hemisphere in a distributed fashion. The turns per unit length, measured along the periphery of the hemisphere, is (n/R) sin , where n is the total number of turns. Given that R h w, find the mutual inductance of the two coils.

9.7.5*The materials comprising the magnetic circuit of Fig. P9.7.5 can be regarded as having infinite permeability. The air gaps have a length x that is much less than a or b, and these dimensions, in turn, are much less than w. The coils to left and right, respectively, have total turns N1 and N2. Show that the self- and mutual inductances of the coils are
equation GIF #9.121
equation GIF #9.122
floating figure GIF #47
Figure P9.7.5
floating figure GIF #48
Figure P9.7.6
9.7.6The magnetic circuit shown in Fig. P9.7.6 has rotational symmetry about the z axis. Both the circular cylindrical plunger and the remainder of the magnetic circuit can be regarded as infinitely permeable. The air gaps have widths x and g that are small compared to a and d. Determine the inductance of the coil.

9.7.7Two cross-sectional views of an axisymmetric magnetic circuit that could be used as an electromechanical transducer are shown in Fig. P9.7.7. Surrounding an infinitely permeable circular cylindrical rod having a radius slightly less than a is an infinitely permeable stator having a hole down its center with a radius slightly greater than a. A pair of coils, having turns N1 and N2 and driven by currents i1 and i2, respectively are wound around the center rod and positioned in slots in the surrounding stator. The longitudinal position of the rod, denoted by , is limited in range so that the ends of the rod are always well inside the ends of the stator. Thus, H in each of the air gaps is essentially uniform. Determine the inductance matrix, (9.7.12).
floating figure GIF #49
Figure P9.7.7
9.7.8Fields in and around the magnetic circuit shown in Fig. P9.7.8 are to be considered as independent of z. The outside walls are infinitely permeable, while the horizontal central leg has uniform permeability that is much less than that of the sides but nevertheless much greater than o. Coils having total turns N1 and N2, respectively, are wound around the center leg. These have evenly distributed turns in the planes x = l/2 and x = -l/2, respectively. The regions above and below the center leg are free space. coordinates. As far as is concerned inside the center leg, what boundary conditions must satisfy if the central leg is treated as the "inside" of an "inside-outside" problem?
(a) Define = 0 at the origin of the given
(b) What is in the center leg?
(c) What boundary conditions must satisfy in region (a)?
(d) What is , and hence H, in region (a)? (A simple exact solution is suggested by Prob. 7.5.3.) For the case where N1 i1 = N2 i2, sketch and H in regions (a) and (b).

floating figure GIF #50
Figure P9.7.8
9.7.9The magnetic circuit shown in Fig. P9.7.9 is excited by an N-turn coil and consists of infinitely permeable legs in series with ones of permeability , one to the right of length l2 and the other to the left of length l1. This second leg has wrapped on its periphery a metal strap having thickness w, conductivity , and height l1. With a terminal current i = io cos t, determine H within the left leg.

floating figure GIF #51
Figure P9.7.9
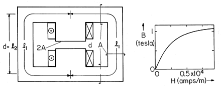
9.7.10*The graphical approach to determining fields in magnetic circuits to be used in this and the next example is similar to that illustrated by Probs. 9.6.11-9.6.13. The magnetic circuit of a high-field magnet is shown in Fig. P9.7.10. The two coils each have N turns and carry a current i.
equation GIF #9.123
(a) Show that the load line for the circuit is
(b) For N = 500, d = 1 cm, l1 = 0.8 m, l2 = 0.2 m, and i = 10 amps, find the flux density B in its air gap.
floating figure GIF #52
Figure P9.7.10
9.7.11In the magnetic circuit of Fig. P9.7.11, the infinitely permeable core has a gap with cross-sectional area A and height a + b, where the latter is much less than the dimensions of the former. In this gap is a material having height b and the M - H relation also shown in the figure. Within the material and in the air gap, H is approximated as being uniform. the field intensity in the material, M, and the driving current i.

(a) Determine the load line relation between Hb,
(b) If Ni/a = 0.5 x 106 amps/m and b/a = 1, what is M, and hence B?

floating figure GIF #53
Figure P9.7.11



prev next